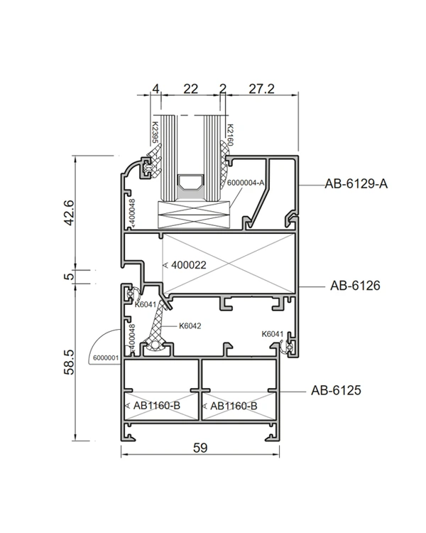
HN60-G
برند: ABESCON
نام محصول:
سیستم لولایی غیرترمال بریک
مزایا:
برند: ABESCON
نام محصول:
سیستم لولایی غیرترمال بریک
مزایا: